Hallo Holderfreunde,
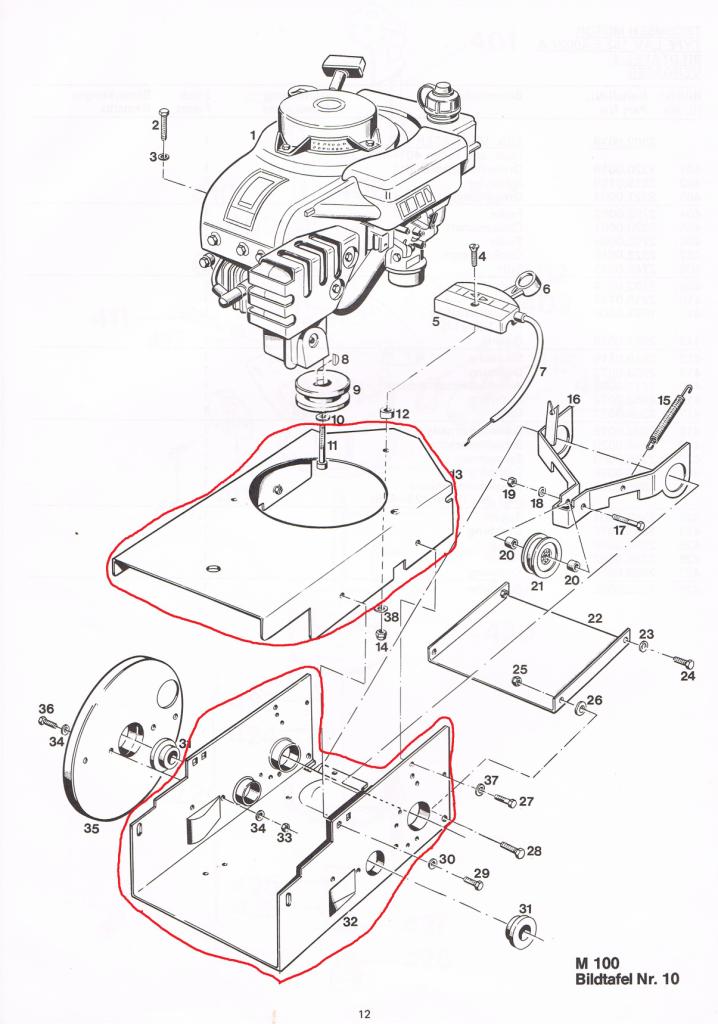
ich suche für meinen Holder M100 zwei Bleche vom Gehäuse. Siehe Bild. Bitte alles anbieten!
Holdergruß!
Georg
Suche für Holder M100 Gehäuse-Bleche
- Holder E9
- Beiträge: 105
- Registriert: Mi 2. Jun 2010, 07:43
- Wohnort: Mülheim a. d. Ruhr
- Kontaktdaten:
Suche für Holder M100 Gehäuse-Bleche
Meine Homepage: http://www.holderfan.de
Mein Youtube-Kanal: http://www.youtube.com/user/MultiE9
Holder B12, EB, E9, E8, E5, E3, H4, M100 und diverse Spritzen
Mein Youtube-Kanal: http://www.youtube.com/user/MultiE9
Holder B12, EB, E9, E8, E5, E3, H4, M100 und diverse Spritzen